1. Standard
Technical Specification: XTG-JS-C-0707-20172. Chemical Composition
20G Chemical Composition,%
| Elements | C | Mn | P | S | Si |
| Min | 0.17 | 0.35 | 0.17 | ||
| Max | 0.23 | 0.65 | 0.025 | 0.012 | 0.37 |
| Actual value | 0.18 | 0.58 | 0.016 | 0.005 | 0.33 |
3. Mechanical Properties
20G Mechanical Properties
| Mechanical Properties |
Tensile Strength MPa |
Yield Strength MPa |
Hardness HBW |
Elongation(longitudinal) % |
| Min(Requirements) | 410 | 245 | 24 | |
| Max(Requirements) | 550 | |||
| Actual value | 485 | 347 | 28 |
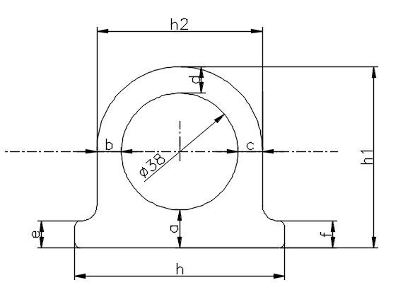
4. Typical Size

| Size | Size and Tolerance(mm) | ||||||||
| a | b | c | d | e | f | H | h1 | h2 | |
| Φ53*7.5 |
10.5 (-1.5,0) |
7.5±0.8 | 7.5±0.8 | 8.8(-0.4,+1.0_ | 8±0.8 | 8±0.8 |
66 (-1.4,0) |
58 (-1.4,0) |
53(-0.7,+0.3) |
5. Typical Application Environment
It is mainly used for heat exchange tube of nuclear power plant and heat exchange tube of power station boiler.

